Existen distintos tipos de fregaderos, así como diversos diseños y tipos de grifos. Aunque en un primer momento te parezca que no te ofrezcan muchas posibilidades, es todo lo contrario, ya que podemos adaptarlos a tus necesidades y a tus gustos. Existen una amplia gama de grifos, de diseño, para todos los gustos.
En el artículo de hoy, hablaremos de la marca Franke.
Centinox Semi-pro
Es un grifo extensible monomando semiprofesional. Este modelo destaca por su diseño único, creado con motivo conmemorativo al centenario de la marca.
Consta de un cartucho cerámico y solamente está disponible en cobre, color que se muestra en la imagen.
El grifo Centinox Semi-pro tiene una altura total de 500 mm, provocando una caída del agua a la altura de 255 mm.
Puede girar totalmente sobre su eje, ya que su rotación es de 360 grados. La base tiene unas medidas de 50x50 mm.
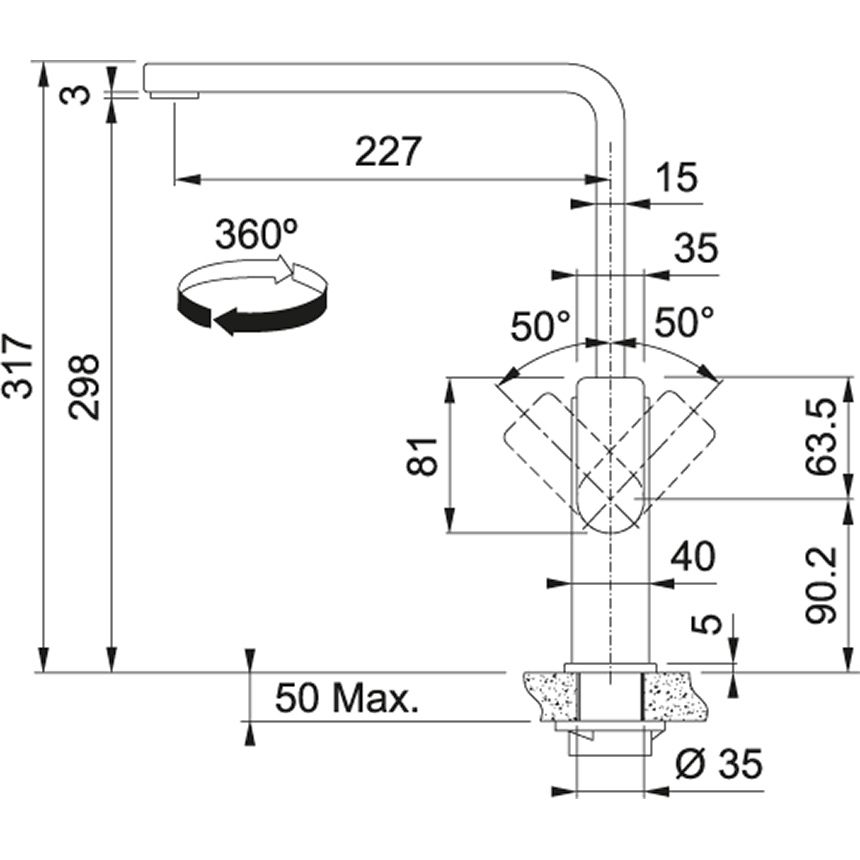
Mythos
Este modelo monocromo de caño alto, está realizado totalmente en acero inoxidable. Es por ello que su cuerpo nos permite guiar el flujo de agua gracias a su aireador dirigible.
El cartucho ECO, que forma parte de su composición, permite reducir el consumo de agua gracias a la doble posición de la maneta, que evita consumos de agua innecesarios.
El grifo posee una altura total de 317 mm, por lo tanto, la caída del agua se produce a una altura de 298 mm.
La rotación de Mythos es, igual al grifo Centinox Semi-pro, de 360 grados.
Mythos viene disponible en dos colores: acero inox y negro inox.
Maris Free
Maris Free, grifo monocromo de caño alto, abraza la atemporalidad y agrega un toque artístico al óptico inoxidable de lo cotidiano.
Su altura total es de 425 mm, cayendo el agua a una altura de 280 mm. En cuanto a su rotación, igual al de los modelos anteriores, es de 360 grados.
Active Plus Color
Active Plus es un grifo monomando de caño alto y extraíble. Disponible en varios colores a parte del cobre, que mostramos en la fotografía, como son: blanco mate, negro mate, gris antracita, gris brillo, gris oscuro metalizado y bronce.
Altura total de 310 mm. La caída del agua es de 280 mm.
Posee una función de ducha, ya que su cabezal es extraíble, y, además, su grifo nos permite expulsar el agua en forma de chorro o de una manera mucho más dispersa, compuesta por muchos chorros más pequeños y finos, a la que llamamos función ducha.
Si quieres saber más sobre grifos, fregaderos y sus accesorios, te recordamos que en Cocinas 7 Islas podemos asesorarte en todo lo relacionado con las cocinas y armarios. No dudes en consultarnos, estamos a tu disposición.
En Cocinas 7 Islas, estamos dispuestos a ayudarte en la creación o en los últimos detalles de tu cocina nueva. ¿No sabes qué es mejor? ¿te faltan ideas y/o tienes dudas? ¡Nosotros te ayudaremos!
Ponte en contacto con nosotros llamando al 922 100 653, o a través de nuestro formulario pulsando aquí.
Pide tu cita y ven a visitar nuestra exposición de cocinas e infórmate de todo aquello que necesites. Ponte en contacto con nosotros, aquí.










